티스토리 뷰
목차
BLDC 모터(Brushless DC 모터)는 브러시가 제거된 DC 모터로, 고정자에 권선이 있고 회전자는 영구 자석으로 구성되어 있습니다. 브러시 대신 전자적으로 위치를 감지하여 전류를 제어하는 정류 방식을 사용해 효율이 높고 내구성이 뛰어나며 낮은 전기 노이즈와 높은 토크 제어 능력을 갖춘 모터입니다. 일반적인 DC 모터와 달리 브러시 부족으로 마모가 적고 정밀한 속도 제어가 가능하여 산업용 기계, 전기차, 항공우주, 로봇, 의료기기, 가전제품 등 다양한 분야에 쓰입니다.



BLDC 모터의 주요 특징은 고효율, 강력하고 일정한 토크 출력, 낮은 소음, 내구성, 정밀한 제어성능이며, 회전자 관성이 낮아 가속과 감속이 빠르고 방열이 유리하여 고출력 운전이 가능합니다. 다만 ESC(전자속도제어장치)가 추가로 필요하며, 상대적으로 초기 비용이 높은 단점이 있습니다.
구조 면에서는 회전자가 영구자석이고 고정자에 권선이 있어 브러시 없이 전자적으로 정류하며, 권선이 고정자에 있어 열 관리가 용이한 점이 특징입니다. BLDC 모터는 단상, 2상, 3상 등의 상 수에 따라 분류되며, 다양한 형태와 크기로 응용됩니다.
BLDC 모터의 기본 작동 원리 설명



BLDC 모터의 기본 작동 원리는 다음과 같습니다.
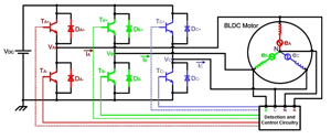
BLDC 모터는 영구자석(로터)이 회전하고, 고정자에는 전류가 흐르는 권선(코일)이 있어 고정자가 전자석 역할을 하며 자기장을 만듭니다. 회전자가 영구자석이기 때문에, 고정자에서 생성된 자기장과 영구자석 사이에 인력과 척력(끌어당김과 밀어냄)의 힘이 작용하여 로터가 회전합니다.
기존 브러시 DC 모터와는 달리, 브러시가 없어서 물리적 접촉에 의한 마모와 스파크가 발생하지 않습니다. 대신, 전자적으로 정류를 하여 고정자 권선에 흐르는 전류 방향과 시점을 제어합니다. 이 전자 정류 장치는 위치 센서(홀 센서 등)로 로터 위치를 감지하여 적절한 코일에 전류를 공급하여 회전자가 계속 회전하도록 합니다.
전류가 고정자 권선에 순차적으로 공급되고, 이에 따라 만드는 자기장의 극성이 바뀌면서 영구자석(로터)은 항상 끌어당기고 밀어내는 힘을 받아 회전 운동을 연속적으로 수행합니다.
이 과정을 통해 효율이 높고 소음과 마찰이 적은 정밀한 속도 제어가 가능한 모터가 바로 BLDC 모터입니다.
BLDC와 브러시드 DC 모터 차이점 비교



BLDC 모터와 브러시드 DC 모터의 차이점은 다음과 같습니다.
| 구조 | 브러시와 정류자 없음, 전자 제어로 전류 공급 | 기계식 브러시와 정류자 존재, 기계적 접촉으로 전류 공급 |
| 작동 원리 | 전자 제어기(ESC)가 로터 위치 감지 후 권선에 전류 공급 | 브러시가 정류자의 전류 방향을 물리적으로 바꿈 |
| 마찰 및 소음 | 마찰 없음, 저소음 | 브러시 마찰로 소음과 마모 발생 |
| 유지 보수 | 거의 없음 | 브러시 교체 등 정기적 유지보수 필요 |
| 효율 | 높음, 전력 손실 적음 | 낮음, 브러시 및 정류기 마찰로 손실 발생 |
| 속도 및 토크 제어 | 전자 제어로 정밀 제어 가능 | 간단한 전압 조절, 정밀 제어 어려움 |
| 수명 | 비교적 김 | 브러시 마모로 인해 짧음 |
| 초기 비용 | 비교적 높음 | 비교적 저렴 |
| 적용 분야 | 고성능 전기차, 드론, 산업용, 정밀기기 등 | 저가 가전, 일반 소형 모터, 단순 프로젝트 등 |
요약하자면, BLDC 모터는 전자 제어로 브러시가 없어 마찰과 소음이 적고 효율과 내구성이 높으며 정밀 제어가 가능한 반면, 브러시드 DC 모터는 구조가 단순하고 초기 비용이 낮으나 브러시 마모로 인한 유지보수가 필요하고 효율이 낮습니다. BLDC 모터는 고성능, 장시간 운전, 정밀 제어가 필요한 응용에 적합하고, 브러시드 DC 모터는 비용과 유지보수가 중요한 단순한 용도에 적합합니다.
BLDC 모터 제어용 드라이버(ESC) 선택 가이드
BLDC 모터 제어용 드라이버인 ESC(Electronic Speed Controller)를 선택할 때 고려해야 할 주요 가이드는 다음과 같습니다.
- 전압 및 전류 정격 일치
- 모터의 정격 전압과 전류에 맞는 ESC를 선택해야 합니다. 과도한 전류가 흐르면 ESC가 손상될 수 있으니 모터 사양과 일치하는 ESC를 사용해야 합니다.
- 배터리나 전원 공급 장치 전압 범위도 ESC가 지원하는 범위 내에 있어야 합니다.
- 위상 및 극수 호환성
- BLDC 모터는 3상인 경우가 대부분으로 ESC도 3상 출력이 가능한 형태여야 합니다.
- 모터와 ESC 간 위상 연결 및 극성 조정이 필요하므로 호환성 확인이 중요합니다.
- 센서 유무 고려
- 홀 센서가 장착된 모터인지 아닌지에 따라 센서용 입력을 지원하는 ESC를 선택해야 합니다.
- 센서가 없는 무센서 모터는 ESC 내부 알고리즘으로 위치 감지를 하므로 별도 센서용 입력이 필요 없습니다.
- 제어 방식 지원
- PWM(Pulse Width Modulation) 제어 등 원하는 모터 속도 제어 방식을 지원하는 ESC를 선택합니다.
- 폐루프 속도 제어나 토크 제어가 필요한 경우 이에 적합한 ESC가 필요합니다.
- 보호 기능 및 안정성
- 과전압, 과전류, 과열, 단락 보호 기능이 있는 ESC가 안정적인 운용에 유리합니다.
- 신뢰성 높은 브랜드 제품 선택이 중요합니다.
- 크기 및 냉각 능력
- 장착 공간과 ESC 발열량을 고려해 적절한 크기와 냉각설계가 된 제품을 선택해야 합니다.
- 통신 및 인터페이스
- 요구되는 통신 방식(SPI, UART, CAN 등)과 외부 기기와의 연결성도 고려합니다.
이 외에 응용 분야, 비용, 기술지원 여부 등을 종합적으로 고려해 선택하는 것이 바람직합니다.
요약하자면, BLDC 모터 사양(전압, 전류, 위상, 센서 유무)과 제어 요구사항(속도, 토크, 보호 기능 등)을 정확히 파악한 후, 이에 맞는 ESC를 선택하는 것이 중요하며, 안정성과 품질을 고려한 제품을 추천합니다.
BLDC 모터의 장단점과 응용 분야 정리



BLDC 모터의 장단점과 응용 분야를 정리하면 다음과 같습니다.
장점
- 고효율: 브러시가 없어 마찰 손실과 브러시 마모에 따른 에너지 손실이 적어 전력 효율이 높습니다.
- 긴 수명 및 신뢰성: 브러시가 없으므로 마모가 없고 유지보수가 적어 모터 수명이 깁니다.
- 정밀 제어 가능: 센서나 센서리스 방식으로 로터 위치와 속도를 정밀하게 제어할 수 있습니다.
- 저소음 및 저진동: 브러시와 정류기가 없어 작동 시 소음이 적고 진동이 적습니다.
- 컴팩트한 크기와 가벼움: 같은 출력 등급 대비 크기와 무게가 작고 가벼운 설계가 가능합니다.
- 빠른 응답성: 전자 제어로 가속이나 감속이 빠르고 토크 제어가 우수합니다.
단점
- 초기 비용이 높음: 전자 제어 장치와 센서가 필요해 초기 투자 비용이 비교적 높습니다.
- 복잡한 제어 시스템: 전자 제어 및 펌웨어 설계가 필요해서 구현이 복잡합니다.
- 전자파 간섭(EMI): PWM 스위칭으로 인한 고주파 노이즈 문제가 발생할 수 있습니다.
응용 분야
- 자동차: 전기차 구동 모터, 하이브리드 차량 보조 모터, 파워 스티어링, 냉각팬 등
- 산업 자동화: 로봇, CNC 기계, 컨베이어, 펌프, 정밀 기기 제어
- 가전제품: 에어컨, 냉장고, 세탁기, 선풍기 등 에너지 효율이 중요한 제품
- 항공 및 드론: 소형 경량 고출력 모터로 드론, UAV에 사용
- 의료기기: 인공심장 펌프, MRI, 정밀 의료 장비 등
- 재생에너지: 풍력 터빈, 태양광 추적 시스템, 수력발전장치 등
BLDC 모터는 높은 효율과 신뢰성, 정밀 제어가 필요한 다양한 산업과 소비자용 기술에 널리 이용됩니다. 초기 비용과 제어 복잡도를 감수할 만큼의 성능 이점이 있어 고성능, 저소음, 에너지 절감이 요구되는 곳에 적합합니다.
소형 BLDC 모터로 RC차에 적용하는 방법BL크로비트와 서보모터 RC Car 연결하기
- 모터 선정
- RC차 크기와 무게에 맞는 소형 BLDC 모터를 선택해야 합니다. 보통 KV 값(회전수 기준)을 고려해 원하는 회전 속도와 토크에 맞는 모터를 고릅니다.
- 출력이 너무 높으면 RC차 부품에 부담을 줄 수 있으니 적정 출력 모델을 선택하는 게 중요합니다.
- ESC(Electronic Speed Controller) 연결
- BLDC 모터에는 반드시 ESC가 필요합니다. ESC는 모터의 회전수와 방향, 속도 제어를 담당합니다.
- RC차용 ESC는 전압 및 전류 등 모터 사양에 맞게 선택해야 하며, 일반적으로 3상 출력 지원 ESC를 사용합니다.
- 센서 유무에 따른 제어
- 홀 센서가 달린 BLDC 모터는 센서 신호를 ESC에 연결해 더욱 정밀한 위치제어가 가능합니다.
- 센서리스 모터는 ESC가 전자적으로 회전 위치를 추정하여 제어합니다.
- 배터리 및 전원 연결
- RC차의 배터리 전압과 용량에 맞는 ESC 및 BLDC 모터 전원을 연결합니다.
- 전류가 충분한지, 과열이 발생하지 않는지 확인이 필요합니다.
- 기계적 연결
- 모터 축에 RC차 휠과 구동 기어를 적절히 연결합니다. 필요한 경우 감속 기어를 사용해 토크를 보강할 수 있습니다.
- 고정 및 정렬 상태를 정확히 맞춰 진동이나 과도한 마찰을 방지합니다.
- 제어기 및 송수신기 연동
- RC 송수신기와 ESC를 연결해 무선으로 모터 속도 및 방향을 제어합니다.
- 테스트 주행 시 각 제어 기능(가속, 감속, 방향 전환 등)을 점검합니다.
- 안전 주의
- BLDC 모터는 고출력이 가능해 과부하 및 과전류에 주의해야 하며, ESC 보호 기능과 적절한 방열대책이 필요합니다.
- 초기 테스트 시 반드시 저속으로 작동 상태를 확인하는 것이 중요합니다.
소형 BLDC 모터는 기존 브러시 모터 대비 효율과 출력이 높아 RC차를 고성능화하는 데 유리하며, ESC와의 호환, 적절한 전원 및 기어링 설계가 핵심 포인트입니다.